廢氣余熱有機熱載體鍋爐是利用工業生產過程中的廢熱排氣作(zuo)為熱源,(主(zhu)要(yao)由(you)冶金(jin)、碳素(su)、化工及內燃(ran)機(ji)、燃(ran)氣(qi)輪機(ji)的廢熱(re)排氣(qi)),以導熱(re)油(you)為熱(re)載(zai)體(ti),由(you)熱(re)油(you)泵強制循環,將熱(re)能輸送(song)給用熱(re)設(she)備,繼(ji)而又返回重新加熱(re)的高效節能供熱(re)設(she)備。
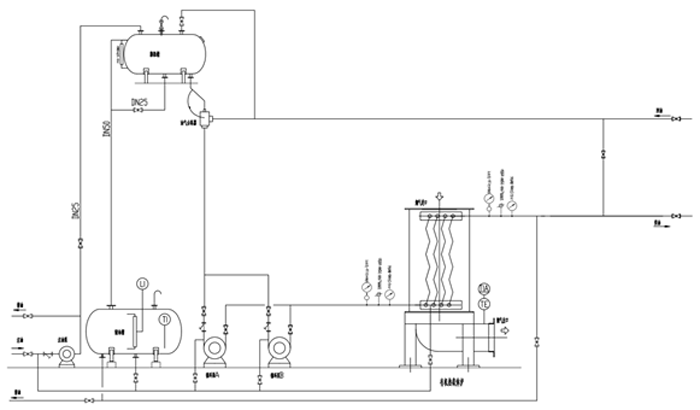
具體見《余熱熱有機(ji)載體鍋爐(lu)供熱流(liu)程圖》

系統(tong)包(bao)括余熱(re)(re)有(you)機熱(re)(re)載(zai)體鍋爐,配套導熱(re)(re)油(you)供(gong)熱(re)(re)循環系統(tong),電氣控制系統(tong)。
導熱油供熱循環系統:由余熱有機熱載體鍋爐主機、高溫循環油泵、熱用戶(用熱設備)、油氣分離器及相關閥門管線構成,如儲油槽、膨脹槽、注油泵等也都是不可缺少的輔助管路及設備。
電控柜控制系統:電控柜控制系統由電器控制柜及其檢測、顯示儀表等組成,分動力控制和儀表顯示控制兩部分。
致用戶:
作為的導熱油(you)鍋爐生(sheng)產廠完全能勝(sheng)任該設備及系(xi)統的(de)各種技術咨詢(xun)和服(fu)務(wu),是保證您(nin)大膽采用本產品的(de)一項重要措施,只(zhi)要您(nin)需要,可(ke)向我公司聯系(xi),聯系(xi)電話(hua):13815029577,我廠專業人員以豐富(fu)的(de)經驗和迅速、正確、誠懇的(de)服(fu)務(wu)宗旨,隨時為您(nin)進行工(gong)作。
常州市上能鍋(guo)爐有限(xian)公司聯系方式
聯系人:芮亞平
手機(ji):+8613815029577
郵箱(xiang):czjnguolu@163.com
Email: czjnguolu@163.com
微信號(hao):13815029577
工廠地址:常州市新北區黃河西路與尚德路交叉路口向南160米處
上一篇:沒有了!
下一篇:熔鹽吸熱,放熱,廢熱利用